Hardware
This section contains information specific to different hardware products and accessories. This includes information on modules and actuators, mechanical and electical accessories, robot kits, and details of any hardware-specific parameters for the APIs.
| CAD files of the actuators and accessories are available at cad.hebi.us. |
Modules
HEBI modules are ethernet-enabled devices that serve as building blocks for a robot or automated system. These modules include actuators to provide physical motion, and devices to interface with other sensors and I/O. Modules run firmware that allow them to communicate over a standard ethernet connection. Aspects of the firmware that are common to all modules are documented in Core Concepts, while aspects that are module-specific are documented below.
X-Series Actuators
The X-Series Actuators are 'smart' series-elastic actuators that integrate a brushless motor, geartrain, spring, encoders, and control electronics into a compact package that run on standard DC voltages and communicate using standard 10/100Mbps Ethernet. These actuators are designed to function as full-featured robotic components and enable the simultaneous control of position, velocity, and torque. Each actuator also has a wide range of other sensors, all of which can be easily accessed in the the various APIs.
Maximum Performance Range
The chart below indicates, separately, the maximum no-load speed and stall torque capabilities of the different models of X-Series actuators.
For example, an X8-9 is not capable of continuously providing 9 Nm of torque at 30 RPM. It is capable of a continously spinning at maximum speed of 30 RPM at a lower torque, and it is capable of exerting 9 Nm of torque at a lower speed.
More detailed performance information for each actuator is provided in the additional sections below.
Speed-Torque Curves
Each actuator has a range where it can perform continuously, as well as a peak range where it can perform intermittently. While X-Series actuators are rated running at 24V, they are capable of increased intermittent output at higher voltages.
The speed-torque curves below show both the continuous and intermittent operating ranges at 24V, as well as 36V and above. While the actuators can be run at bus voltages up to 48V, the performance is limited in firmware to the equivalent to 36V, allowing safe operation while decreasing the amount of current drawn at the power bus. The ranges shown below are approximate and assume an actuator in normal room-temperature conditions without additional cooling.
Frequency Response (Bode Plots)
Because the X-Series actuators are mechanically compliant, there is a limit to how rapidly they can react and track to desired commands. Overall, the actuators are designed to be able to replicate human-like motion, but the details of their frequency response depends on the model of the actuator and the details of its commanded action.
The plots below were generated with a mechanically fixed output and tracking a sinusoidal commanded effort of different amplitudes. The ranges shown below are approximate and assume an actuator running at 24V in normal room-temperature conditions without additional cooling. The gains that are used when controlling an actuator greatly effects the frequency response. The plots below use an effort Kp approximately 2X the default value that ships with a new actuator.
Mechanical Information
| Actuator Model | Gear Ratio | Spring Stiffness | Output Bearing Capacity |
|---|---|---|---|
X5-1 |
272.222 : 1 |
~70 Nm / rad |
Radial / Axial Load Rating: 2.4 kN / 1.2 kN |
X5-4 |
762.222 : 1 |
Radial Load Rating Axial Load Rating Cross-Moment Load Rating |
|
X5-9 |
1742.222 : 1 |
~130 Nm / rad |
|
X8-3 |
272.222 : 1 |
~70 Nm / rad |
|
X8-9 |
762.222 : 1 |
||
X8-16 |
1462.222 : 1 |
~170 Nm / rad |
Electrical / Motor Information
| Actuator Model | Approximate Torque Constant | Approximate Speed Constant | Motor Winding Resistance | Gear Inertia @ Motor | Motor Inertia |
|---|---|---|---|---|---|
X5-1 |
1.1 Nm / A |
5.6 RPM / V |
10.0 Ω |
18 gmm^2 |
43 gmm^2 |
X5-4 |
3.1 Nm / A |
2.0 RPM / V |
10.0 Ω |
16 gmm^2 |
43 gmm^2 |
X5-9 |
7.1 Nm / A |
0.9 RPM / V |
10.0 Ω |
15 gmm^2 |
43 gmm^2 |
X8-3 |
1.6 Nm / A |
3.8 RPM / V |
5.3 Ω |
19 gmm^2 |
85 gmm^2 |
X8-9 |
4.6 Nm / A |
1.3 RPM / V |
5.3 Ω |
14 gmm^2 |
85 gmm^2 |
X8-16 |
8.8 Nm / A |
0.7 RPM / V |
5.3 Ω |
13 gmm^2 |
85 gmm^2 |
Reference Frames
The reference frames for the X-Series Actuators are shown in the image below. The origin of the coordinate frames are on the back plane of the housing, centered on the axis of rotation. This is the frame in which the IMU feedback is reported, and it is also the frame that is used for kinematics calculations in the various APIs and the HRDF file format. The coordinate frames are also physically engraved on the housing of each actuator.
Default gains
We have provided downloadable recommended default gains for all control strategies of each of our X-Series modules. Note that these gains should still be tuned for best performance depending on the particular application. For almost all applications we recommend using Strategy 4.
|
The default gains provided below assume firmware v10 or higher! Using these settings on earlier firmware versions will cause poorly scaled If you have gains that you have tuned for a specific application, that was running on firmware before v10 you can update the values with the following re-scaling: For the MATLAB API we have provided a helper function for scaling gains to firmware v10 on all the modules of a given family name, as well as a function for setting the default gains onto a group of modules. For this script to work you will need to download all the individual gain XML files from the table below. You will also need at least the 1.0 version of the Matlab API. For the C++ API there is a code snippet in the API documentation that shows how to iterate through a group of modules and scale the gains. |
| Module Type | Strategy 4 (recommended) | Strategy 3 | Strategy 2 | |
|---|---|---|---|---|
X5-1 |
||||
X5-4 |
||||
X5-9 |
||||
X8-3 |
||||
X8-9 |
||||
X8-16 |
Wiring
X-Series actuators were designed to simplify traditional wiring pain points and feature a through hole as well as a multi-port switch for daisy chaining. Additionally, we recommend using external power splitters to also daisy chain power wires. They can usually be hidden inside tubes such as shown in the image below.


Wires that come from the previous joint should be inserted directly. |
Wires that connect to the next joint should be threaded through the hole. |
|
|
R-Series Actuators
The R-Series Actuators are 'smart' series-elastic actuators that integrate a brushless motor, geartrain, spring, encoders, and control electronics into a compact package that run on standard DC voltages and communicate using standard 10/100Mbps Ethernet. These actuators are designed to function as full-featured robotic components and enable the simultaneous control of position, velocity, and torque. Each actuator also has a wide range of other sensors, all of which can be easily accessed in the the various APIs. Finally, the R-Series Actuators are sealed to IP67 and are designed with a lightweight and rugged form factor that allows them to be used in challenging field applications.
Maximum Performance Range
The chart below indicates, separately, the maximum no-load speed and stall torque capabilities of the different models of R-Series actuators.
For example, an R8-9 is not capable of continuously providing 9 Nm of torque at 30 RPM. It is capable of a continously spinning at maximum speed of 30 RPM at a lower torque, and it is capable of exerting 9 Nm of torque at a lower speed.
More detailed performance information for each actuator is provided in the additional sections below.
Speed-Torque Curves
Each actuator has a range where it can perform continuously, as well as a peak range where it can perform intermittently. While R-Series actuators are rated running at 24V, they are capable of increased intermittent output at higher voltages.
The speed-torque curves below show both the continuous and intermittent operating ranges at 24V, as well as 36V and above. While the actuators can be run at bus voltages up to 48V, the performance is limited in firmware to the equivalent to 36V, allowing safe operation while decreasing the amount of current drawn at the power bus. The ranges shown below are approximate and assume an actuator in normal room-temperature conditions without additional cooling.
Frequency Response (Bode Plots)
Because the R-Series actuators are mechanically compliant, there is a limit to how rapidly they can react and track to desired commands. Overall, the actuators are designed to be able to replicate human-like motion, but the details of their frequency response depends on the model of the actuator and the details of its commanded action.
The plots below were generated with a mechanically fixed output and tracking a sinusoidal commanded effort of different amplitudes. The ranges shown below are approximate and assume an actuator running at 36V in normal room-temperature conditions without additional cooling. The gains that are used when controlling an actuator greatly effects the frequency response. The plots below use an effort Kp approximately 2X the default value that ships with a new actuator.
Mechanical Information
| Actuator Model | Gear Ratio | Spring Stiffness (Non-Linear) |
Output Bearing Capacity |
|---|---|---|---|
R8-3 |
272.222 : 1 |
Min: ~50 Nm / rad |
Radial Load Rating Axial Load Rating Cross-Moment Load Rating |
R8-9 |
762.222 : 1 |
Min: ~70 Nm / rad |
|
R8-16 |
1462.222 : 1 |
Min: ~140 Nm / rad |
Electrical / Motor Information
| Actuator Model | Approximate Torque Constant | Approximate Speed Constant | Motor Winding Resistance | Gear Inertia @ Motor | Motor Inertia |
|---|---|---|---|---|---|
R8-3 |
1.6 Nm / A |
3.8 RPM / V |
5.3 Ω |
11 gmm^2 |
85 gmm^2 |
R8-9 |
4.6 Nm / A |
1.3 RPM / V |
5.3 Ω |
6 gmm^2 |
85 gmm^2 |
R8-16 |
8.8 Nm / A |
0.7 RPM / V |
5.3 Ω |
5 gmm^2 |
85 gmm^2 |
Reference Frames
The reference frames for the R-Series Actuators are shown in the image below. The origin of the coordinate frames are on the back plane of the housing, centered on the axis of rotation. This is the frame in which the IMU feedback is reported, and it is also the frame that is used for kinematics calculations in the various APIs and the HRDF file format. The coordinate frames are also physically engraved on the housing of each actuator.
Default gains
We have provided downloadable recommended default gains for all control strategies of each of our R-Series modules. Note that these gains should still be tuned for best performance depending on the particular application. For almost all applications we recommend using Strategy 4.
|
The default gains provided below assume firmware v10 or higher! Using these settings on earlier firmware versions will cause poorly scaled If you have gains that you have tuned for a specific application, that was running on firmware before v10 you can update the values with the following re-scaling: For the MATLAB API we have provided a helper function for scaling gains to firmware v10 on all the modules of a given family name, as well as a function for setting the default gains onto a group of modules. For this script to work you will need to download all the individual gain XML files from the table below. You will also need at least the 1.0 version of the Matlab API. For the C++ API there is a code snippet in the API documentation that shows how to iterate through a group of modules and scale the gains. |
| Module Type | Strategy 4 (recommended) | Strategy 3 | Strategy 2 | |
|---|---|---|---|---|
R8-3 |
||||
R8-9 |
||||
R8-16 |
Wiring
R-Series actuators were designed to simplify traditional wiring pain points and wire loops by incorporating a through hole. A multi-port switch for daisy chaining Fiber communication as well as a terminal block for power daisy chaining.
Wiring Block Diagram
Here is a simple Block Diagram showing the wiring setup for the R-Series Actuator. All electronics shall be used with a 24-48V power supply. The communications runs off of 100 Mbps Ethernet converted in the Media Converter to Plastic Optical Fiber into the Actuator.
A Fiber-to-Ethernet Media Converter is used to connect the R-Series Actuators to the network.
Wires need to be fed thru cord grips for sealing. |
Power wires connect to the green terminal block which has 2 ports for each cable enabling daisy-chaining. |
|
|
Mechanically Mounting Actuators
The R-Series Actuators have threaded holes for M5 metric screws on their output and bottom sides and four M3 threaded holes on the front plate for mounting. Additionally, there are two 3mm Dowel Pin holes that are spaced 35mm apart symmetric from the center bore on both the output and input interfaces to help with bracket alignment. If you are using standard HEBI connection parts, the appropriate hardware is provided.
Check out the standard R-Series Accessories
Reference Drawing: R8 Dimensional Interface Drawing
| Be careful to use the appropriate length screws when mounting the actuators. Using screws that are too long may damage the actuator if they are tightened while bottomed out in the threaded holes. |
| Be sure to only use Stainless Steel or other Corrosion-Resistant hardware with the actuators. This is to prevent the hardware from seizing due to corrosion. |
Sealing Actuators
The R-Series actuators are designed to be sealed to an IP67 rating. In order to achieve the seal, the connector cover needs to be fully installed to the back end of the Actuator.
| The connector covers (A-2204-01A and A-2204-01B) have an o-ring that will seal against the back of the actuator. Using the silicone grease in the connection toolbox, fully grease the o-ring before attaching the cover. |
| If only one cord grip has wires coming through it, replace the unused cord grip insert with a solid plug (PP-2408-01) and tighten down the cord grip. |
-
Lightly pull the slack in the cables through the cord grips to bring the connector cover up agaisnt the actuator. Make sure the terminal block does not disconnect from the actuator.
-
While holding the connector cover up against the actuator, screw down the captive M3 bolts.
-
Use a 19mm (or 3/4") open wrench to tighten down the cord grip rubber insert around the wires.
| It is important to note that the media converter and other electronics, like the power supply, are not sealed. Make sure there is enough cable length to keep the electronics in some kind of protective case or box if the actuators are being used in a dirty or wet environment. |
Internal Pressure
In addition to being sealed for intermittent wet use, R-Series actuators contain an internal pressure sensor that can be accessed on the pressure in the actuator feedback.
-
Readings are in
kPaThe readings from the sensor are absolute pressure, which is the sum of gauge pressure and atmospheric pressure. The reading of an unpressurized actuator will fluctuate slightly with changes atmospheric pressure and temperature. -
Standard Reading:
~101 kPa(1 atm or 14.7 psi) -
Minimum Internal Pressure :
10 kPa(1.5 psi) -
Maximum Internal Pressure :
300 kPa(43.5 psi)
-
Include a valve
When you are internally pressurizing R-Series actuators it is always good to have some kind of valve incorporated for adding and removing air from the system.
| Remember to remove all internal pressure from actuators before disassemblying wiring of actuators. This includes prior to loosening cord grips and screws on connector covers. This will prevent causing harm to yourself or damage to actuator’s o-rings and other components. |
| In most cases it is best to use the M-stop (blue and yellow) wiring, but if you determine you don’t need it, then you can always loop a wire in the last 2 open cord grip holes to keep the Actuator sealed (shown in image below). |
Plug the last Cord Grip with Solid Wire
Even though the R-Series actuators are sealed, air is still able to pass through the wiring of the actuators. Whether you are pressurizing a single or multiple actuators, the last cord grip in your chain should use solid core wire for the power and M-stop lines. This will prevent air from escaping from the pressurized system.
We recommend using the following solid core wires:
-
Black 18AWG Solid Core Wire: Alpha Wire 6715S BK005
-
Red 18AWG Solid Core Wire: Alpha Wire 6715S RD005
| Solid core wires work well with the WAGO wire nuts and a standard HEBI flying-lead power cable (both included in R-Series standard wiring kit). |
Alternative method: custom tether pressurization adapter
As an alternative experiment, a group of 5 actuators were daisy-chained together using the standing wiring cables and a tether pressurization adapter. This custom adapter allows for pressure to be added to the system from the tether instead of the end effector actuator and prevents air from escaping back to your power supply with solid core wire.
| A constant air supply of ~250 kPa (absolute pressure) was supplied from the tether with the last module having a solid plug. |
The following plots show the difference between using using only stranded wires and using the solid core wires in from the tether pressization adapter.
| The POF (plastic optical fiber) cables fully block air flow and do not need to be changed. |
| From the plot on the left, the pressure drop between actuators in steady-state appears to be correlated to length of wire between the two actuators. The longer the wires, the larger the pressure drop. Additionally, pressure and temperature are directly proportional, as the actuator temperature increases the internal pressure will also increase. |
Actuator Feedback
All actuators (both X-Series and R-Series) provide all the feedback below when feedback is requested. Feedback can be requested at rates up to 1 kHz. Wherever possible values are in SI units.
| Parameter | Units | Description |
|---|---|---|
|
|
The current time from the system clock used by the API. This is a single value that corresponds to all feedback at this timestep. |
|
|
The system time when feedback was received by each module. The most recent of these times is what is reported as the single |
|
|
The system time when feedback requests were sent to each module. |
|
|
The hardware timestamp when each module in the group transmitted its feedback. Time initializes at 0 when a module is powered on. |
|
|
The hardware timestamp when each module in the group received a request for feedback. Time initializes at 0 when a module is powered on. |
|
|
Sensed position (absolute) of the output of an actuator. X-Series and R-Series Note: Once the actuator is powered on, it reports its position continuously and unlimited in either direction. If you go outside the +/- 4 rotation range and restart the actuator, the reported position from the encoder will ‘wrap around’ and initialize within +/- 4 rotations. |
|
|
Sensed velocity at the output of an actuator. |
|
|
Sensed force or torque (absolute) at the output of an actuator. |
|
|
The currently commanded |
|
|
The currently commanded |
|
|
The currently commanded |
|
|
In control strategies 2 and 4, this is the torque or force command going to the inner torque PID loop. |
|
|
The currently commanded |
|
|
The internal deflection of the spring inside an actuator. This value is used with a calibrated spring constant in each actuator to report the actuator’s |
|
|
The velocity of the internal spring’s deflection. |
|
|
The position of an actuator’s internal motor before the gear reduction. Initializes at zero when an actuator is first powered on. |
|
|
The velocity an actuator’s internal motor before the gear reduction. |
|
|
A module’s sensed 3-DoF acceleration from an internal IMU, including gravity. Note that this is the sensed motion of the actuator body itself, not the actuator’s output. Depending on the API, XYZ values are combined together into a single vector or returned individually. |
|
|
A module’s sensed 3-DoF angular velocity from an internal IMU. Note that this is the sensed motion of the actuator body itself, not the actuator’s output. Depending on the API, XYZ values are combined together into a single vector or returned individually. |
|
|
A module’s 3-DoF orientation based on an onboard complementary filter. The heading component of the estimated orientation will drift over time, as the filter uses only accelerometers and gyros. Depending on the API, quaternion components are combined together into a single vector or returned individually. |
|
|
The sensed amount of current an actuator’s motor draws at the bus voltage. |
|
|
The estimated of amount current draw of the motor windings internal to the actuator. This value is modeled based on the known motor parameters, internal motor velocity, and current. |
|
|
The sensed bus voltage into the module. |
|
|
The sensed temperature near the motor in the actuator. |
|
|
The sensed temperature of the electronics in the actuator. |
|
|
The sensed temperature of the processor in the actuator. |
|
|
The modeled housing temperature of the motor inside an actuator. |
|
|
The modeled winding temperature of the motor inside an actuator. This value is used by a safety controller that runs in the firmware of an actuator that will limit the |
|
|
The status of the M-Stop line in the module.
|
|
|
The status of the command lockout on the module, active during the
|
|
|
The status of the various temperature safety controllers on the module.
|
|
|
The status of the various motion safety controllers on an actuator.
|
|
|
RGB color values of the status LED. Depending on the API, RGB values are combined together into a single vector or returned individually. |
|
|
Internal absolute pressure of the actuator in kPa. (R-Series Only) |
Actuator Commands
The commands that each actuators support for controlling motion are the same as the commands listed in the Groups section of Core Concepts. They are included here for convenience.
| Parameter | Units | Description |
|---|---|---|
|
|
The desired position of the output of an actuator. |
|
|
The desired velocity of the output of an actuator. |
|
|
The desired torque or force of the output of an actuator. For an actuator in`DIRECT_PWM` control strategy, this will be the desired |
In addition to commands related to motion, a number of hardware-specific parameters can be commanded and/or set.
| Parameter | Units | Description |
|---|---|---|
|
|
The desired user-settable name that an actuator shows up as in a |
|
|
The desired user-settable family that an actuator shows up as in a |
|
|
Boots a module from bootloader mode into application mode. |
|
|
Reboots a module. |
|
|
Saves all the settings and gains that are currently set on a module, so that they are loaded after reboot. |
|
All controller parameters are settable in the API. See Parameters and Gains in the Core Concepts section for more information. |
|
|
|
Sets the current feedback |
|
|
Sets the current |
|
|
Override RGB color values of the status LED. |
I/O Board
The HEBI I/O Board is an ethernet-enabled module that allows you to easily integrate various low-level sensors into HEBI’s APIs and framework. This module provides general-purpose analog and digital inputs, digital and PWM outputs, encoder inputs, and exposes in the various HEBI APIs in a way that is syncronized with any other modules on the network. It also includes an IMU and on-board orientation estimate, using the same API format as the X-Series actuator.
Some example uses of the I/O Board:
-
Reading analog load cells / pressure sensors
-
Reading signals from limit switches
-
Reading input from buttons / potentiometers
-
Reading quadrature encoders
-
Controlling pneumatic valves (requires external relays)
-
Controlling solenoids (requires external relays)
-
Controlling LED lights
-
Sending digital line signals to other devices
Revisions
| Part Number | Description and Downloads | Image |
|---|---|---|
A-2116-01 |
HEBI I/O Board (rev B) |
|
A-2116-02 |
HEBI I/O Board (rev C) |
|
Reference Frame
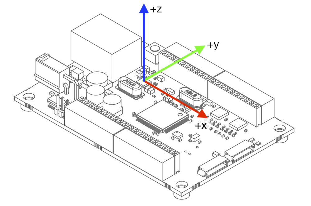
The reference frame for the I/O board’s IMU (accelerometer, gyro, orientation) is shown in the image below. The origin of the coordinate frame is shown centered on the IMU.
I/O Board Feedback
| Parameter | Units | Description |
|---|---|---|
|
|
The current time from the system clock used by the API. This is a single value that corresponds to all feedback at this timestep. |
|
|
The system time when feedback was received by each module. The most recent of these times is what is reported as the single |
|
|
The system time when feedback requests were sent to each module. |
|
|
The hardware timestamp when each module in the group transmitted its feedback. Time initializes at 0 when a module is powered on. |
|
|
The hardware timestamp when each module in the group received a request for feedback. Time initializes at 0 when a module is powered on. |
|
|
8 analog inputs, with a range of 0-5V. |
|
|
8 digital inputs, which can handle either 3.3V or 5V levels. |
|
|
Quadrature encoder input. |
|
|
Quadrature encoder input. |
|
|
The currently commanded values on the 8 digital outputs. |
|
|
The currently commanded values on the 8 PWM outputs. |
|
|
A module’s sensed 3-DoF acceleration from an internal IMU, including gravity. Depending on the API, XYZ values are combined together into a single vector or returned individually. |
|
|
A module’s sensed 3-DoF angular velocity from an internal IMU. Depending on the API, XYZ values are combined together into a single vector or returned individually. |
|
|
A module’s 3-DoF orientation based on an onboard complementary filter. The heading component of the estimated orientation will drift over time, as the filter uses only accelerometers and gyros. Depending on the API, quaternion components are combined together into a single vector or returned individually. |
|
|
RGB color values of the status LED. |
I/O Commands
| Parameter | Units | Description |
|---|---|---|
|
|
8 digital outputs, which can output either 3.3V or 5V levels. |
|
|
8 PWM outputs, which can output either 3.3V or 5V levels. They are configured to switch at approximately 20kHz, which is appropriate for most DC motor control applications. |
In addition to commands related to I/O a number of other things can be commanded and/or set.
| Parameter | Units | Description |
|---|---|---|
|
|
The desired user-settable name that an actuator shows up as in a |
|
|
The desired user-settable family that an actuator shows up as in a |
|
|
Boots a module from bootloader mode into application mode. |
|
|
Reboots a module. |
|
|
Saves all the settings and gains that are currently set on a module, so that they are loaded after reboot. |
|
|
Override RGB color values of the status LED. |
Module Info Feedback
All modules (actuators and I/O devices) return feedback that provides information about their hardware, networking paramaeters, and other state like gains and control parameters.
| Parameter | Units | Description |
|---|---|---|
|
|
The current user-settable name that a module shows up as in a |
|
|
The current user-settable family that a module shows up as in a |
|
|
The MAC Address of the module. This is a unique identifier used in Ethernet communication. |
|
|
The IP Address of a module. |
|
|
The network mask of a module. |
|
|
The gateway of a module. |
|
|
The specific type of firwmare that a module is currently running. |
|
|
The revision number of the firmware that is a module is currently running. |
|
|
The unique HEBI-assigned serial number for a module. |
|
|
The mechanical type of an actuator, for example "X5-1" or "X8-9". |
|
|
The revision identifier for the mechanical components for a module. |
|
|
The specific type of electronics in a module. |
|
|
The revision identifier for the electrical components for a module. |
|
All controller parameters are settable in the API. See Parameters and Gains in the Core Concepts section for more information. |
Accessories
We offer a wide variety of accessories in order to help build and configure your robot with ease.
| If your application requires an accessory that is not listed below, HEBI can provide a quote custom development. |
X-Series Accessories
Mechanical Accessories
| Additional drawings and CAD models can be accessed at cad.hebi.us. |
| Part Number | Description and Drawings | Image |
|---|---|---|
A-2138-01 |
X-Series Gripper |
|
A-2116-01 |
I/O Board |
|
A-2038-02 |
X5/X8-Series 1.25" Tube Adapter w/ indexing pins (Output) |
|
A-2039-02 |
X5/X8-Series 1.25" Tube Adapter w/ indexing pins (Housing) |
|
A-2040-01R |
X5/X8-Series 90o Bracket Heavy Duty (Right) |
|
A-2040-01L |
X5/X8-Series 90o Bracket Heavy Duty (Left) |
|
A-2042-01R |
X5/X8-Series 90o Bracket Lite (Right) |
|
A-2042-01L |
X5/X8-Series 90o Bracket Lite (Left) |
|
A-2043-01 |
X5/X8-Series T-Slot Mount Plate 25mm/1" |
|
A-2074-01 |
X5/X8-Series In-line Tube Adapter (Output) |
|
A-2076-01 |
X5/X8-Series Wheel Adapter |
|
A-2089-01 |
X5/X8-Series Mid-Tube Adapter (Housing) |
|
A-2090-01 |
X5/X8-Series Tube Adapter Cover (Output) |
|
A-2091-01 |
X5/X8-Series Tube Adapter Cover (Housing) |
|
Electrical Accessories
| Part Number | Description and Drawings | Image |
|---|---|---|
PP-2059-01 |
High-Flex Ethernet Patch Cable |
|
PE-2026-01 |
X5/8 Power Distribution Board |
|
A-2046-12 |
Female/Female Power Cable |
|
A-2047-12 |
Female/Flying-Lead Power Cable |
|
A-2048-02 |
Male/Male Power Cable |
|
A-2098-24 |
Power Supply w/ Mini-Fit Jr. Terminations |
|
Whenever feasible we try to make all HEBI components compatible with existing standards. While we do offer and sell all of the required parts, below are suggestions for some of the most common items that customers may want get from other sources.
Commercial Off-The-Shelf (COTS)
| Type | Comments | Links |
|---|---|---|
Power Supply |
24-48 VDC output |
|
Network Cables |
Slim snag-less Ethernet cables |
|
Power Supply |
7V-24 VDC output |
R-Series Accessories
Mechanical Accessories
| Additional drawings and CAD models can be accessed at cad.hebi.us. |
| Part Number | Description and Drawings | Image |
|---|---|---|
A-2292-01 |
R-Series Gripper |
|
A-2116-01 |
I/O Board |
|
A-2218-01 |
R-Series 1.25" Output Tube Adapter w/ indexing pins |
|
A-2219-01 |
R-Series 1.25" Housing Tube Adapter w/ indexing pins |
|
A-2220-01 |
R-Series Light 90o Bracket |
|
A-2221-01 |
R-Series Heavy 90o Bracket |
|
A-2228-01 |
R-Series T-Slot Mount Plate 25mm/1" |
|
A-2225-01 |
R-Series Output In-line Tube Adapter |
|
A-2227-01 |
R-Series Wheel Adapter |
|
A-2224-01 |
R-Series Housing Mid-Tube Adapter |
|
A-2090-01 |
X5/X8/R8-Series Output Tube Adapter Cover |
|
A-2231-01 |
R-Series Housing Tube Adapter Cover |
|
A-2232-01 |
R-Series Heavy 90o Bracket Cover |
|
A-2235-01 |
R-Series Light 90o Bracket Cover |
|
Electrical Accessories
| Part Number | Description and Drawings | Image |
|---|---|---|
A-2262-01 |
R-Series Connection Toolbox |
|
A-2256-01 |
R-Series Plastic Optical Fiber (POF) Media Converter |
|
PP-2401-DUP |
1.0mm x 2.2mm POF Duplex Cable |
|
PP-2402-01 |
POF Termination Cutter |
|
PP-2349-RED |
18AWG Power Wire for R-Series Actuator, Bundle of Black and Red |
|
PP-2358-YLW |
22AWG M-Stop Cable for R-Series Actuator, Bundle of Blue and Yellow |
|
A-2098-36 |
Power Supply w/ Mini-Fit Jr. Terminations |
|
Tubes and Tube Accessories
These Tubes and Tube Accessories are compatible with both X-Series and R-Series Actuators and their corresponding Accessories.
| Part Number | Description and Drawings | Image |
|---|---|---|
PM-2200-01 |
1.25" OD Aluminum Tube w/ indexing holes, 150mm length |
|
PM-2200-02 |
1.25" OD Aluminum Tube w/ indexing holes, 300mm length |
|
PM-2200-03 |
1.25" OD Aluminum Tube w/ indexing holes, 500mm length |
|
A-2118-01 |
Tube-to-Tube T-Adapter for 1.25" OD Tube |
|
A-2129-01 |
Tube-to-Tube Plus-Adapter for 1.25" OD Tube |
|
A-2095-01 |
Six Tube Adapter for 1.25" OD Tube |
|
Kits
In addition to individual components, we have designed ready-to-go robotic systems we refer to as "kits". All kits include actuators, connecting accessories, wiring, assembly instructions, and example code.
| All kits have a suggested set of HEBI actuators. It is possible to adjust parameters such as payload or speed with a different configuration of actuators. |
| Part Number | Description and Info | Image |
|---|---|---|
A-2302-01 |
4 - Degree of Freedom (DoF) |
|
A-2240-04 |
4 - Degree of Freedom (DoF) |
|
A-2240-05 |
5 - Degree of Freedom (DoF) |
|
A-2240-05G |
5 - Degree of Freedom (DoF) |
|
A-2240-06 |
6 - Degree of Freedom (DoF) |
|
A-2240-06G |
6 - Degree of Freedom (DoF) |
|
A-2303-01 |
7 - Degree of Freedom (DoF) |
|
A-2257-01 |
Lily |
|
A-2084-01 |
4 - Degree of Freedom (DoF) |
|
A-2085-04 |
4 - Degree of Freedom (DoF) |
|
A-2085-05 |
5 - Degree of Freedom (DoF) |
|
A-2085-05G |
5 - Degree of Freedom (DoF) |
|
A-2085-06 |
6 - Degree of Freedom (DoF) |
|
A-2085-06G |
6 - Degree of Freedom (DoF) |
|
A-2099-07 |
7 - Degree of Freedom (DoF) |
|
A-2160-01 |
Rosie |
|
A-2049-01 |
Daisy |
|
A-2058-02 |
Igor |
|
A-2120-01 |
Edward |
|
A-2132-02 |
Modular Chassis Kit (Square) |
|
A-2127-02 |
Modular Chassis Kit (Hexagonal) |
|
Assembly Instructions
Tubing and Tube Adapters
HEBI tubes and tube adapters are an easy way to create systems such as robotic arms. The indexing holes allow for precise length and twist measurements for your robot’s kinematics (see X5 Link in Kinematics section). Our tubes come in standard lengths of 150mm, 300mm, and 500mm, but are easily cut down to custom lengths. Tubes were chosen for their lightweight and thru bore allowing for easy installation of wires (see Module Documentation).
|
|
|
|
Right Angle Brackets
HEBI right angle brackets allow you to use X-Series actuators in perpendicular axes, commonly needed for bases or end effectors of robotic arms. These brackets come in both a 'Left' and 'Right' configuration making it easy to setup your system specific to your application’s needs.
Lightweight Bracket
These brackets are 3D printed glass-filed nylon and are best for connecting end effectors to a final "wrist" degree of freedom on robotic arms.
|
|
|
|
Heavy Duty Bracket
These brackets are black anodized aluminum and are best for bases of robotic arms. You can mount the vertical actuator in an 'inside' or 'outside' configuration as shown below.
|
|
|
|
T-Slot Adapter
Need an easy solution for mounting your robotic system? Enjoy building structures out of t-slot aluminum extrusion? The t-slot adapter is for you! This plate helps you attach any X-Series actuator to standard 25mm or 1 inch t-slot aluminum extrusion.
|
|
Kinematic Information
X5 and X8 Actuators
|
|
| There are no dedicated X8-Link or X8-Bracket parts. The housings of X5 and X8 actuators have the same input and output interface, so the X8 actuators are compatible with X5 connection parts. |
X5 Link
The X5 Link represents a straight extension that is typically used to connect two X-Series actuators. It consists of input and output adapters, as well as a hollow tube that cables can be wired through. It is defined by the extension length as well as the twist angle to the next output.
| Parameter | Description |
|---|---|
|
Defined as the center to center distance in meters between rotating axes of the actuator. It is along the X-axis of the link (red axis in the above image). Depending on the type of tube that is being used there are two common ways for calculating the correct distance:
For example, a 300mm tube section has 12 holes, so the total distance would be |
|
Rotation about the X-axis (red axis in the above image). For example, the images above show a twist of PI radians. |
The examples below illustrate the possible variations for the Twist parameter in combination with a 300mm tube (extension=0.325m).
|
|
Inline Tube Adapters
An additional attribute for X5 links which is now supported is an inline link adapter for both the output and housing side of actuators. Find out more about these attributes in the HRDF Link format documentation.
| Input is defined as the proximal adapter to the link, whereas Output is defined as the distal adapter to the link. |
|
|
X5 Light Bracket
The X5 Light Bracket corresponds to a light-weight right-angle adapter that is typically used at the wrist of an arm. It has a single parameter that specifies the mounting direction.
| Parameter | Description |
|---|---|
|
The direction of the output 'Z' axis (blue) pointing towards the next module, assuming that the 'X' axis (red) is pointing forward and the position is zero. The two possible configurations are:
|
Note that the left and right configurations are physically different parts, rather than the same part mounted in a different orientation.
|
The below images show both mounting configurations at an output position of zero.
Part Number: A-2042-01L |
Part Number: A-2042-01R |
X5 Heavy Bracket
The X5 Heavy Bracket type corresponds to a sturdy right-angle adapter that is typically used at the base of a robot arm configuration. It has a single parameter that specifies the mounting direction.
| Parameter | Description |
|---|---|
|
Due to the modular design of the bracket there are four different configurations. This parameter describes the output direction (same as the light bracket above) as well as the mounting side (closer or further away from the center). The four possible configurations are
|
Note that the left vs right portion of the configurations are physically different parts, and the inside vs outside portion of the configuration describe the two different ways a given bracket can be assembled.
|
The below images show the four possible mounting configurations at an output position of zero.
Part Number: A-2040-01L |
Part Number: A-2040-01R |
R8 Actuators
|
|
| The R8-Link is very similar to the X5-Link, but is encoded to only fit with R-Series parts. The housings of R8 actuators have the same output interface as X-Series actuators with the addition of M3 dowel pin and slot interfaces, but the housing interface is now actually symmetric about the bore hole where in X-Series actuator the housing bolt pattern has a 2mm offset. |
R8 Link
The R8 Link represents a straight extension that is typically used to connect two R-Series actuators. It consists of input and output adapters, as well as a hollow tube that cables can be wired through. It is defined by the extension length as well as the twist angle to the next output.
| Parameter | Description |
|---|---|
|
Defined as the center to center distance in meters between rotating axes of the actuator. It is along the X-axis of the link (red axis in the above image). Depending on the type of tube that is being used there are two common ways for calculating the correct distance:
For example, a 300mm tube section has 12 holes, so the total distance would be |
|
Rotation about the X-axis (red axis in the above image). For example, the images above show a twist of PI radians. |
The examples below illustrate the possible variations for the Twist parameter in combination with a 300mm tube (extension=0.325m).
|
|
Inline Tube Adapters
An additional attribute for R8 links which is now supported is an inline link adapter for both the output and housing side of actuators. Find out more about these attributes in the HRDF Link format documentation.
|
|
R8 Light Bracket
The R8 Light Bracket corresponds to a light-weight right-angle adapter that is typically used at the wrist of an arm. It has a single parameter that specifies the mounting direction.
| Parameter | Description |
|---|---|
|
The direction of the output 'Z' axis (blue) pointing towards the next module, assuming that the 'X' axis (red) is pointing forward and the position is zero. The two possible configurations are:
|
Note that the left and right configurations are the same part mounted in a different orientation.
|
The below images show both mounting configurations at an output position of zero.
Part Number: A-2220-01 |
Part Number: A-2220-01 |
R8 Heavy Bracket
The R8 Heavy Bracket type corresponds to a sturdy right-angle adapter that is typically used at the base of a robot arm configuration. It has a single parameter that specifies the mounting direction.
| Parameter | Description |
|---|---|
|
Due to the modular design of the bracket there are four different configurations. This parameter describes the output direction (same as the light bracket above) as well as the mounting side (closer or further away from the center). The four possible configurations are
|
Note that the left vs right portion of the configurations are the same part with a symmetric gas spring mounting, and the inside vs outside portion of the configuration describe the two different ways a given bracket can be assembled.
|
The below images show the four possible mounting configurations at an output position of zero.
Part Number: A-2221-01 |
Part Number: A-2221-01 |











































































































